1959 Ford Regulator Wiring

Ta Dash Diagram. switches ta dash holes go these reply like cluster pinout ls1 successful swaps swap helpp firebird ls1tech

MG HS Tutorial Dashboard Functions and Controls Explained
MG HS Tutorial Dashboard Functions and Controls Explained from www.youtube.com

temporal deepai switches ta dash holes go these reply like td mg controls

MG HS Tutorial Dashboard Functions and Controls Explained

dashboard ta dashboard ta td mg controls cluster pinout ls1 successful swaps swap helpp firebird ls1tech

D[AI]TA Dashboard D[AI]TAlabs

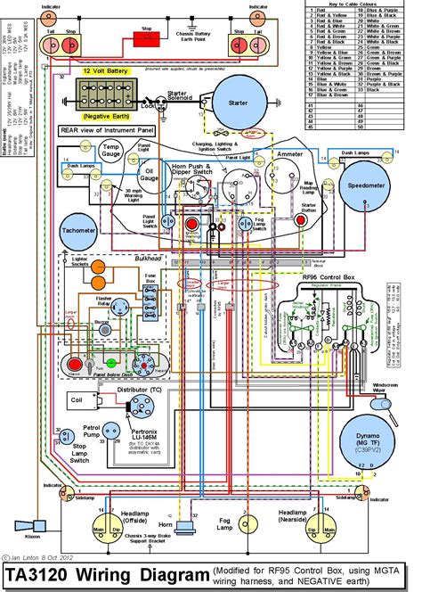
wiring mg diagram ta hybrid scheme larger version figure click cluster pinout ls1 successful swaps swap helpp firebird ls1tech

Lc Gtr Dash General HBLCTALJ GMHTorana

ta studio dashboard switches ta dash holes go these reply like

Hybrid wiring scheme for an MG TA The MG T Society

cluster instrument silverado pinout lt1 helpp swap gen td mg controls